A Simple Remote Volume Control

One of the goodies most callers would not want to miss in their amplifier is a remote volume control.

A small knob on your microphone cable lets you turn the music up and down.

The way this is done for Hilton sets is a 20 k ohms volume control, where (apparently because of the original transistor circuit used) one pin is tied to ground and 0 ohms is maximum volume.

This is the electronic circuit that I designed several years ago that allows using a standard Hilton microphone cable. It has been widely tested, a stereo version has been done too. This plan comes with no warranty whatsoever. I hope it is patent free and you may freely use it for any purpose, but don't hold me responsible if you may not!

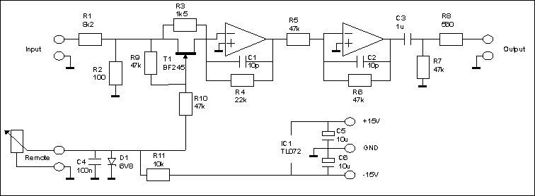
Remote schematic, png file, 4k

The core part is the field effect transistor T1, which is a voltage controlled resistor. It is "on" (some 50 ohms) when the gate voltage is zero, and "off" (some k ohms) when the gate voltage is around -3 volts.

R1 and R2 decrease the input voltage, which makes linearity better. R3, T1 and R4 set the gain of the first inverting operational amplifier. Through T1 this gain is variable.

R5 and R6 set the gain of the second stage to -1, to make the system non-inverting. C3 and R7 make the output signal DC free, R8 helps against short circuits.

C1 and C2 prevent oscillations and limit the bandwidth to about 50 kHz.

The control voltage is generated from the negative supply by the external volume control and R11. C4 cleans the signal, D1 makes the thing work without a remote being connected.

R9 and R10 increase linearity of the FET resistance. (This trick was found in Tietze/Schenk, "Halbleiterschaltungstechnik".)


I was asked about the opamp used. Here is the definition from the chip directory about it:
name:         TL072
function:     dual JFET opamp, lo noise
package:      8DIP,8
manufacturer: generic
added-by:     Tobias Giesen

     +--()--+
out1 | 1   8| Vcc+
in-1 | 2   7| out2
in+1 | 3   6| in-2
Vcc- | 4   5| in+2
     +------+

This pinout came from the Chipdir:
http://www.chipdir.org/

This plan is postcardware.

You may use it for any purpose, but I would be glad if you tell me about it. I am simply curious who is using it and what for.


I hope this explanation is good enough. Suggestions to make it clearer are more than welcome!

Hartmut Niemann

Last modified: $Date: 2000/10/01 12:18:52 $